1. الرئيسية
  2. هندسة وعمارة

أخرى

خدمات مميزة
  • خدمات مميزة
  • أضيفت حديثاً
  • خدمات صاعدة
عودة عرض النتائج
  • تصميم 19378
    • تصاميم سوشيال ميديا 5512
      • منشورات سوشيال ميديا 3005
      • إعلانات سوشيال ميديا 1519
      • صور مصغّرة 808
      • غلاف سوشيال ميديا 138
      • فلاتر وعدسات وهايلايتس 32
      • ملصقات تطبيقات التواصل 10
    • تصميم وتعديل شعارات 3367
      • تصميم شعار 3095
      • شعار نصّي 141
      • شعار 3D 38
      • تحسين شعارات 93
    • تصميم مواقع وتطبيقات 1812
      • تصميم تطبيق 898
      • تصميم موقع 533
      • تصميم صفحة هبوط 315
      • تصميم لوحة تحكم 43
      • تصميم أيقونات 22
    • تصاميم توضيحية 1974
      • تصميم عروض تقديمية 1763
      • تصميم إنفوجرافيك 177
      • تصميم خرائط ذهنية 34
    • تصاميم مهنية 1113
      • تصميم بطاقة عمل 561
      • تصميم سيرة ذاتية 552
    • تصميم كتب ومطبوعات 1259
      • فلاير وبروشور ورول اب 300
      • تصميم غلاف كتاب 318
      • تنسيق كتب 205
      • تصميم كتب أطفال 157
      • مطبوعات مكتبية 155
      • تصميم منيو 124
    • تصاميم العلامة التجارية 917
      • تصميم هوية بصرية 503
      • تصميم بروفايل شركة 275
      • تصميم QR Code 86
      • تصميم ختم 53
    • تصاميم تسويقية 629
      • تصميم بنرات إعلانية 452
      • عبوات وأغلفة منتجات 177
    • تعديل وتحسين الصور 708
      • تعديل الصور 342
      • إزالة خلفية الصور 209
      • ترميم صور قديمة 49
      • تعديل صور منتجات 65
      • تحويل إلى Vector 43
    • فن ورسم 553
      • رسوم كرتونية 354
      • بورتريه وكاريكاتير 98
      • تصميم شخصيات 3d 41
      • تصميم خلفيات 26
      • تصاميم الألعاب 15
      • تصميم ستوري بورد 11
      • تصميم رموز NFT 8
    • تصاميم 3d 360
      • تصميم منتجات 178
      • تصاميم صناعية 51
      • تصاميم CNC 47
      • طباعة ثلاثية الأبعاد 26
      • أخرى 58
    • دعوات وتهنئة ومعايدات 373
      • دعوات زواج 144
      • أعياد ومناسبات 153
      • شهادات شكر وتقدير 76
    • تصميم أزياء وإكسسوارات 288
      • تصميم تيشرتات 167
      • تصميم أزياء 101
      • مجوهرات وإكسسوارات 20
    • تصاميم نصيّة إبداعية 189
      • تصميم مخطوطات 168
      • تصميم توقيع 21
    • الرسم بالذكاء الاصطناعي 198
    • أخرى 126
  • برمجة وتطوير 13469
    • تطوير مواقع 6530
      • إنشاء موقع إلكتروني 4054
      • إنشاء صفحة هبوط 1769
      • إصلاح أخطاء المواقع 158
      • تخصيص وتعديل المواقع 201
      • حماية وتأمين المواقع 110
      • نسخ احتياطي ونقل استضافة 57
      • مدونات بلوجر 181
    • ووردبريس 1183
      • إنشاء موقع ووردبريس 689
      • تنصيب ووردبريس 123
      • إصلاح مشكلات ووردبريس 88
      • تخصيص وتعديل ووردبريس 68
      • تحسين سرعة ووردبريس 69
      • إضافات ووردبريس 55
      • تعريب قوالب ووردبريس 36
      • حماية ووردبريس 29
      • نسخ احتياطي ونقل استضافة 26
    • إنشاء متجر إلكتروني 699
      • شوبيفاي 142
      • ووكومرس 103
      • سلة 164
      • أوبن كارت 32
      • زد 11
      • أخرى 247
    • تطوير تطبيقات جوال 1654
      • إنشاء تطبيق 1076
      • تعديل التطبيقات 192
      • إصلاح مشكلات التطبيقات 129
      • تحويل موقع إلى تطبيق 70
      • تحويل تصميم إلى تطبيق 111
      • رفع التطبيقات على المتاجر 76
    • اختبار ضمان الجودة 326
      • اختبار برمجيات 241
      • مراجعة أكواد برمجية 85
    • تطوير برمجيات 1907
      • تطبيقات سطح المكتب 580
      • إنشاء تطبيق ويب 261
      • كتابة أكواد برمجية 268
      • واجهات API وتكاملات 250
      • تحويل تصميم لموقع 259
      • تطوير شات بوت 137
      • تطوير AI Chatbot 39
      • أنظمة ERP و CRM 76
      • بوابات دفع إلكتروني 37
    • تطوير ألعاب 161
      • Unity 79
      • Unreal 1
      • Godot 12
      • ألعاب الويب 22
      • أخرى 47
    • دعم فني تقني 760
      • سيرفرات ولينكس 179
      • شبكات 162
      • أنظمة تشغيل وبرمجيات 146
      • استضافات ونطاقات 86
      • أمن وحماية بيانات 61
      • إدارة البريد الإلكتروني 31
      • أخرى 95
    • أخرى 201
  • ذكاء اصطناعي وتعلم الآلة 732
    • أتمتة ووكلاء ذكاء اصطناعي 226
      • أتمتة الذكاء الاصطناعي 186
      • وكلاء ذكاء اصطناعي 40
    • علم البيانات وتعلم الآلة 506
      • تعلم الآلة 358
      • التعلم العميق 88
      • الرؤية الحاسوبية 52
      • AI Fine-Tuning 8
  • فيديو وأنيميشن 3011
    • فيديوهات سوشيال وإعلانات 905
      • فيديوهات قصيرة 420
      • فيديوهات إعلانية 259
      • فيديوهات يوتيوب 125
      • فيديوهات سوشيال ميديا 101
    • تحرير الفيديو 804
      • مونتاج فيديو 588
      • تصميم انترو 119
      • ترجمة فيديو 54
      • مؤثرات بصرية VFX و CGI 43
    • أنيميشن وموشن جرافيك 912
      • موشن جرافيك 552
      • وايت بورد 131
      • تحريك شعار 91
      • رسوم متحركة للأطفال 38
      • تحريك شخصيات 29
      • أنيميشن 2D 43
      • أنيميشن 3D 28
    • إنتاج الفيديو 147
      • تصوير فيديو UGC 39
      • دعوات وتهنئة ومعايدات 38
      • فيديوهات شرح وتعليم 27
      • فيديوهات منتجات 3D 13
      • فيديوهات دينية 30
    • تصميم فيديو بالذكاء الاصطناعي 211
    • أخرى 13
  • هندسة وعمارة 3010
    • هندسة معمارية 1997
      • تصميم داخلي وديكور 873
      • تصميم مخططات معمارية 475
      • تصميم خارجي وواجهات 270
      • إظهار معماري 146
      • تصميم حدائق ولاند سكيب 111
      • تصاميم معمارية تجارية 80
      • أخرى 42
    • هندسة مدنية وإنشائية 329
      • تصميم إنشائي 174
      • حساب كميات الإنشاءات 125
      • أخرى 30
    • هندسة ميكانيكية 298
      • تصميم ميكانيكي 195
      • أنظمة HVAC 51
      • أنظمة مياه وصرف 23
      • أنظمة مكافحة الحريق 16
      • أخرى 13
    • هندسة كهربائية 149
      • تصميم مخططات كهربائية 134
      • أخرى 15
    • هندسة إلكترونيات 150
      • أنظمة مدمجة وIOT 88
      • لوحات دوائر PCB 54
      • أخرى 8
    • استشارات هندسية 54
    • أخرى 33
  • تسويق رقمي 3669
    • التسويق عبر مواقع التواصل 1057
      • إدارة حسابات التواصل 497
      • التسويق على فيسبوك 205
      • التسويق عبر انستقرام 80
      • التسويق عبر يوتيوب 75
      • التسويق عبر واتساب 64
      • التسويق عبر تليجرام 35
      • التسويق عبر تويتر 29
      • التسويق على سناب شات 33
      • التسويق عبر تيك توك 35
      • التسويق عبر بنترست 4
    • إعلانات مواقع التواصل 395
      • إعلانات فيس بوك 155
      • إعلانات تيك توك 84
      • إعلانات سناب شات 74
      • إعلانات انستقرام 52
      • إعلانات يوتيوب 18
      • إعلانات تويتر 12
    • تحسين محركات البحث 1048
      • باك لينك 312
      • جيست بوست 225
      • تحليل سيو شامل 128
      • بحث كلمات مفتاحية 54
      • سيو متاجر إلكترونية 114
      • سيو محلي Local SEO 51
      • سيو يوتيوب 41
      • تحليل منافسي SEO 18
      • خدمات سيو أخرى 105
    • أساليب التسويق 588
      • التسويق عبر محركات البحث 145
      • إعلانات المواقع 99
      • تسويق قواعد البيانات 193
      • الإضافة لأدلة المواقع 34
      • التسويق عبر المنتديات 42
      • التسويق عبر البريد الإلكتروني 39
      • التسويق عبر الشبكات الإعلانية 18
      • تسويق تطبيقات الجوال 9
      • النشر الصحفي 9
    • خطط واستشارات تسويقية 393
      • خطط تسويقية 247
      • استشارات تسويقية 146
    • تحليل الويب 143
      • إضافة أكواد التتبع 123
      • تحليل سوشيال ميديا 20
    • أخرى 45
  • أعمال 3727
    • تخطيط أعمال 612
      • دراسة جدوى 156
      • استشارات أعمال 180
      • خطط عمل 89
      • أسماء تجارية 82
      • الجودة والاعتماد ISO 43
      • تأسيس مشاريع 24
      • بحث السوق 23
      • إدارة مخاطر 14
    • خدمات قانونية 435
      • مستندات وعقود قانونية 291
      • استشارات قانونية 122
      • بحوث قانونية 22
    • خدمات مالية ومحاسبية 543
      • محاسبة ومسك دفاتر 293
      • قوائم مالية 83
      • محاسبة ضريبية 53
      • تحليل مالي 50
      • استشارات مالية 36
      • استشارات تداول وأسهم 28
    • إدارة التجارة الإلكترونية 402
      • إضافة منتجات 273
      • إدارة متاجر إلكترونية 64
      • استشارات تجارة إلكترونية 36
      • بحث عن منتجات 29
    • إدارة برمجيات 290
      • تخطيط موارد مؤسسات ERP 207
      • نظم إدارة مشاريع PMS 67
      • إدارة علاقات عملاء CRM 16
    • دعم فني وإداري 1191
      • خدمة عملاء 118
      • مساعد افتراضي 175
      • تحويل ملفات 847
      • بحث على الإنترنت 51
    • إدارة موارد بشرية 154
      • استشارات موارد بشرية 45
      • تطوير مؤسسي 34
      • إدارة التوظيف 35
      • رواتب وأجور 17
      • تقييم وظيفي 11
      • أنظمة موارد بشرية 12
    • أخرى 57
  • صوتيات 1033
    • تعليق صوتي 700
      • تعليق صوتي رجالي 411
      • تعليق صوتي نسائي 289
    • أداء صوتي 125
      • غناء 40
      • رد آلي IVR 50
      • دوبلاج 35
    • إنتاج صوتي 175
      • هندسة صوتية 84
      • إنتاج وتلحين موسيقي 55
      • إنتاج كتب صوتية 25
      • بودكاست 11
    • صوتيات الذكاء الاصطناعي 26
    • أخرى 7
  • أسلوب حياة 572
    • تنمية شخصية 354
      • استشارات شخصية 312
      • توجيه وإرشاد مهني 42
    • صحة وجمال 110
      • صحة وتغذية 73
      • لياقة بدنية 26
      • موضة وجمال 11
    • مهارات حياتية وترفيه 95
      • فنون وحرف 32
      • سياحة وسفر 38
      • تعليم الطبخ 17
      • ألعاب 8
    • أخرى 13
  • كتابة وترجمة 9689
    • محتوى مواقع 1254
      • مقالات وتدوينات 1114
      • صفحات الموقع الأساسية 51
      • محتوى صفحات هبوط 19
      • كتابة بروفايل شركات 70
    • محتوى دراسي ومهني 1379
      • إعداد وكتابة بحوث 758
      • كتابة سيرة ذاتية 503
      • بناء بروفايل لينكدإن 95
      • كتابة طلبات منح 23
    • تحسين المحتوى 944
      • تدقيق لغوي 331
      • خدمات تلخيص 238
      • تنسيق المحتوى 286
      • صياغة وفحص اقتباس 89
    • محتوى سوشيال ميديا 422
      • كتابة منشورات سوشيال 321
      • خطة محتوى سوشيال 101
    • ترجمة 1659
      • إنجليزية للعربية والعكس 1396
      • فرنسية للعربية والعكس 62
      • تركية للعربية والعكس 38
      • ألمانية للعربية والعكس 29
      • صينية للعربية والعكس 14
      • ترجمة لغات أخرى 120
    • كتابة إبداعية 508
      • كتابة قصة قصيرة 264
      • كتابة شعر 88
      • تأليف كتاب 92
      • كتابة كلمات الأغاني 25
      • أخرى 38
    • محتوى متخصص 437
      • محتوى طبي وصحي 157
      • محتوى علمي 95
      • محتوى قانوني 58
      • محتوى تقني 44
      • محتوى رياضي 18
      • محتوى ديني وتاريخي 17
      • محتوى مالي واقتصادي 20
      • محتوى إخباري وسياسي 8
      • أخرى 20
    • محتوى تسويقي 294
      • نصوص إعلانية 177
      • وصف منتجات 96
      • رسائل بريد إلكتروني 21
    • كتابة سيناريو 290
      • سيناريو يوتيوب 105
      • سيناريو فيديوهات قصيرة 44
      • سيناريو فيديو سوشيال 43
      • سيناريو أفلام ومسلسلات 32
      • محتوى بودكاست 21
      • أخرى 45
    • تفريغ نصوص 2404
      • تفريغ PDF وصور 1276
      • تفريغ صوت وفيديو 1128
    • محتوى الذكاء الاصطناعي 33
    • أخرى 65
  • بيانات 6521
    • الحصول على البيانات 592
      • استخراج بيانات 413
      • جمع بيانات 179
    • تحليل ومعالجة بيانات 2893
      • تحليل بيانات 2572
      • معالجة بيانات 321
    • إدارة بيانات 2145
      • إدخال بيانات 1783
      • قواعد بيانات 362
    • عرض مرئي للبيانات 845
      • لوحات بيانات 650
      • رسوم ومخططات بيانية 105
      • نظم معلومات جغرافية GIS 90
    • أخرى 36
  • تعليم عن بعد 1528
    • تعلم المهارات الرقمية 445
      • تعلم البرمجة 299
      • تعلم الذكاء الاصطناعي 16
      • تعلم التسويق الرقمي 79
      • تعلم تصميم الجرافيك 41
      • تعلم الفيديو والأنيميشن 10
    • تعلم العلوم المتخصصة 431
      • تعلم الرياضيات 130
      • شروحات هندسية 62
      • شروحات طبية 64
      • تعلم العلوم 58
      • تعلم المحاسبة 37
      • تعلم القرآن الكريم 80
    • تعلم اللغات 256
      • تعلم اللغة الإنجليزية 163
      • تعلم اللغة العربية 63
      • تعلم اللغة الفرنسية 10
      • تعلم لغات أخرى 20
    • تدريب وحل واجبات 219
      • مساعدة بحل الواجبات 105
      • حقائب تدريبية 114
    • استشارات أكاديمية وتعليمية 50
    • أخرى 127

يرجى الإنتظار

عمل محاكاة الاحمال و الاجهادات الميكانيكيه باستخدام ANSYS

هندسة وعمارة / أخرى
  • (5)
تبدأ من 25.00$

عمل محاكاة للموائع و انتقال الحراره باستخدام ANSYS Fluent

هندسة وعمارة / أخرى
  • (9)
تبدأ من 25.00$

تصميم زخارف إسلامية يدوية أصيلة (نباتية – هندسية – كتابية )

هندسة وعمارة / أخرى
  • (13)
تبدأ من 10.00$

توفير مخططات كهرباء السيارات ودليل الصيانة والمستخدم

هندسة وعمارة / أخرى
  • (0)
تبدأ من 5.00$

محاكاة للموائع وانتقال الحرارة والإجهادات باستخدام ANSYS

هندسة وعمارة / أخرى
  • (2)
تبدأ من 5.00$

رسم الطرق والمعالم علي google earth

هندسة وعمارة / أخرى
  • (2)
تبدأ من 10.00$

تحويل ملفات PDF إلى مخططات AutoCAD

هندسة وعمارة / أخرى
  • (0)
تبدأ من 10.00$

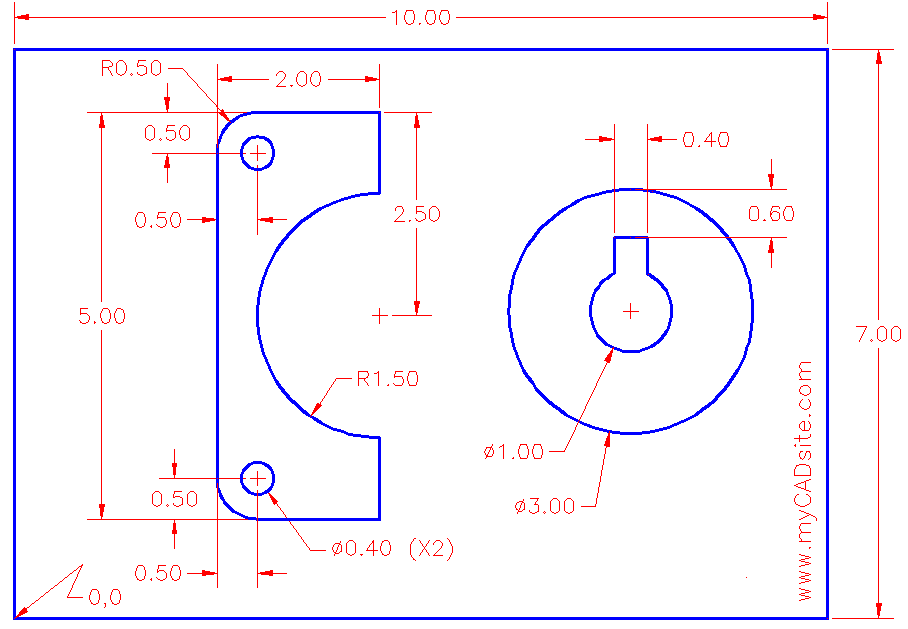
رسم تصاميم 2d على برنامج اوتوكاد بشكل احترافي

هندسة وعمارة / أخرى
  • (1)
تبدأ من 5.00$

إدارة وتنظيم العمليات للشركات على برنامج تريلو

هندسة وعمارة / أخرى
  • (0)
تبدأ من 5.00$

الرسم الثنائي البعد للقطع الهندسية

هندسة وعمارة / أخرى
  • (0)
تبدأ من 5.00$

تحويل ملفات الاوتوكاد الى شيب فايل داخل بيئة GIS

هندسة وعمارة / أخرى
  • (0)
تبدأ من 5.00$

انشاء شبكات network , VLan

هندسة وعمارة / أخرى
  • (0)
تبدأ من 10.00$

رسم اللوحات و المخططات بأستخدام برنامج الاوتوكاد

هندسة وعمارة / أخرى
  • (2)
تبدأ من 5.00$

رسم خرائط GIS لقطع الأراضي تقسيم الأراضي

هندسة وعمارة / أخرى
  • (0)
تبدأ من 5.00$

عمل تقسيم لمساحات الأراضي إلى مساحات بصيغة kml

هندسة وعمارة / أخرى
  • (0)
تبدأ من 10.00$

رقمنة الخريطة الجيولجية

هندسة وعمارة / أخرى
  • (0)
تبدأ من 25.00$

أرسم تصميمك الهندسي على برنامج الأتوكادdxf,dwg

هندسة وعمارة / أخرى
  • (0)
تبدأ من 5.00$

محاكاة flow simulation باستخدام برنامج أنسيز Ansys

هندسة وعمارة / أخرى
  • (2)
تبدأ من 5.00$

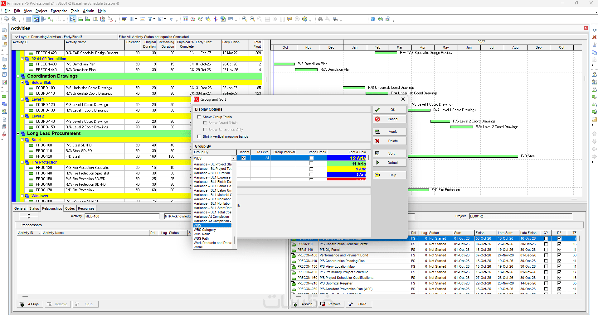
تخطيط للمشروع و تصميم جدول زمنى بإستخدام بريمفيرا Primavera

هندسة وعمارة / أخرى
  • (0)
تبدأ من 5.00$

رسم واعداد الرسومات الهندسيه بالاستخدام برنامج الاوتوكاد

هندسة وعمارة / أخرى
  • (1)
تبدأ من 5.00$

استشارة لربط محطة طاقة متجددة على الجهد المتوسط في المانيا

هندسة وعمارة / أخرى
  • (0)
تبدأ من 25.00$

عمل مشاريع وابحاث متعلقة في تخصص الهندسة الكيميائية ومواده

هندسة وعمارة / أخرى
  • (0)
تبدأ من 5.00$

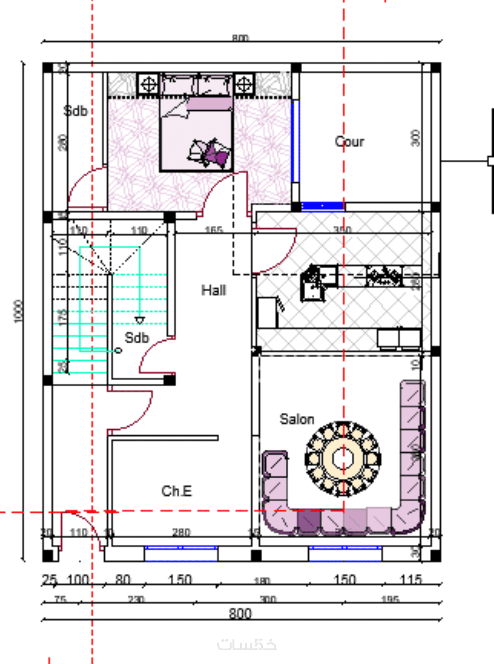
تلوين مسقط افقي-2d render of floor plan

هندسة وعمارة / أخرى
  • (0)
تبدأ من 10.00$

انشاء جداول زمنية على بريمافيرا Primavera

هندسة وعمارة / أخرى
  • (0)
تبدأ من 10.00$

تدقيق وتجهيز مخططات هندسية

هندسة وعمارة / أخرى
  • (0)
تبدأ من 5.00$

رسم شبكة طرق مخصصة للتحليل الشبكي

هندسة وعمارة / أخرى
  • (0)
تبدأ من 25.00$

تحويل ملفات autocad الى ملفات shapefile

هندسة وعمارة / أخرى
  • (0)
تبدأ من 5.00$

رسم أى مخطط بإستخدام برنامج الأتوكاد وتقديم لوحة هندسية

هندسة وعمارة / أخرى
  • (0)
تبدأ من 5.00$

رسم علي برنامج الاوتوكاد للبرامج الهندسيه

هندسة وعمارة / أخرى
  • (0)
تبدأ من 10.00$

برنامج زمني احترافي لمشروعك باستخدام Primavera P6

هندسة وعمارة / أخرى
  • (0)
تبدأ من 5.00$
موقع خمسات
  • حول خمسات
  • كيف يعمل الموقع
  • الأسئلة الشائعة
  • ضمان الحقوق
  • البيع على خمسات
  • مركز المساعدة
مدونة خمسات
  •  الذكاء الاصطناعي والبرمجة: كيف تواكب السوق كمطور؟
  • هكذا تنشئ موقع شخصي يروّج لخدماتك دون خبرة برمجية
  • ما الذي يميز صانع محتوى UGC الناجح؟
  • كيف تروّج لعملك كمستقل وتزيد مبيعاتك؟
  • كيف تستغل مهاراتك كصانع محتوى لزيادة دخلك؟
مجتمع خمسات
  • نماذج أعمال قمت بتنفيذها
  • طلبات الخدمات غير الموجودة
  • تجارب وقصص المستخدمين
  • أمور عامة حول خمسات
تابعنا
وسائل الدفع المتاحة
  • شروط الاستخدام
  • بيان الخصوصية
  • المستويات
  • التسويق بالعمولة

© 2026 Hsoub. All rights reserved.

يرجى الإنتظار