وصف الخدمة

هل تريد تصميم نظام تكييف وتهوية (HVAC) احترافي يضمن لك أعلى أداء وأقل استهلاك للطاقة؟

أنا مهندس ميكانيكي متخصص في تصميم أنظمة التدفئة والتكييف والتهوية وفق المعايير العالمية (ASHRAE, SMACNA) باستخدام برامج احترافية مثل :
- Autocad
- Autofluid
- Duct Sizer
- Duct Fitting

ما ستحصل عليه:
----------------------

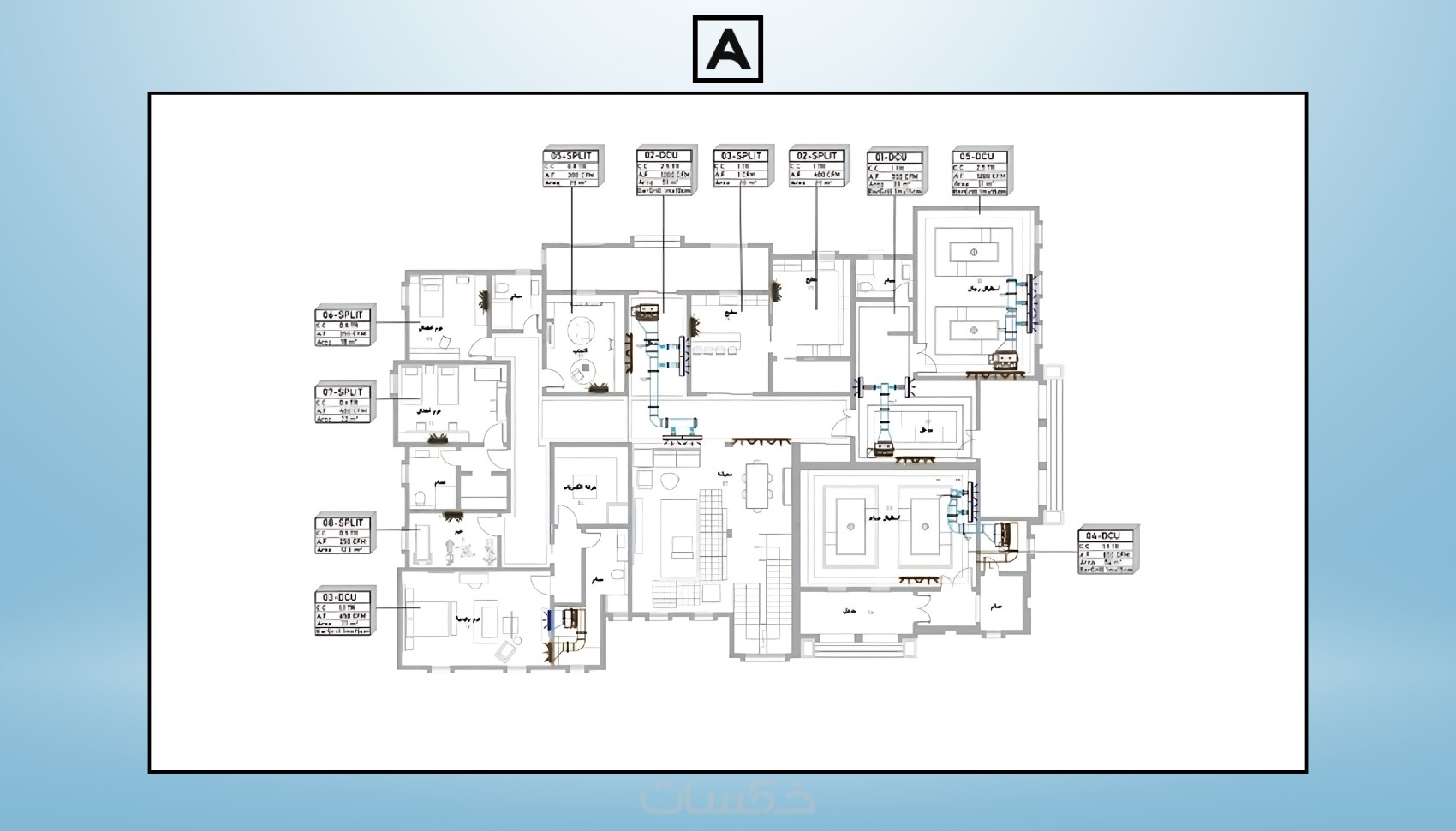
- تصميم متكامل لأنظمة HVAC للمباني السكنية والتجارية والمستشفيات والفنادق 25م2.

- حسابات أحمال حرارية دقيقة باستخدام HAP.

- اختيار أمثل للمعدات والأنابيب (Chilled Water, DX).

- مخططات دقيقة لمسارات مجاري الهواء وتوزيع وحدات التكييف(FCU, AHU, VRF, Split).

- تسليم الملفات بصيغ (PDF, DWG).

- تعديلات غير محدودة حتى رضاك التام.

**** حلول هندسية ترفع من كفاءة مشروعك وتقلل التكاليف التشغيلية**.


معرض الأعمال

شراء الخدمة

سعر الخدمة
$5.00
تطويرات اختيارية

عمل جدول لحصر الكميات لكل 25م2

  • 5 دولار
  • يوم واحد

بطاقة الخدمة

بطاقة الخدمة

شراء الخدمة

سعر الخدمة
$5.00
تطويرات اختيارية

عمل جدول لحصر الكميات لكل 25م2

  • 5 دولار
  • يوم واحد

كلمات مفتاحية